400-003-8066

香蕉视频APP在线观看案例分析

您所在的位置: 首頁 > 資訊頻道 > 設計規範 > 會議室 > 會議係統電及音頻的性能要求 GB/T 15381-94

會議係統電及音頻的性能要求 GB/T 15381-94

來源:ZOBO香蕉视频APP在线观看 發布日期 2023-05-11 瀏覽:

  因篇幅有限請到資料下載   下載完整文件。

  還可以了解更多關於會議室解決方案、產品和案例 等信息。

  還可以了解更多關於香蕉视频APP污版場館解決方案、產品和案例 等信息。

  還可以了解更多關於劇場香蕉视频破解解決方案、產品和案例 等信息。

還可以了解更多關於學校教育   解決方案、產品和案例   等信息。


1 主題內容與適用範圍

本標準等效采用標準IEC 914《會議係統電及音頻的性能要求》。

1.1 主題內容

本標準規定了各種型式有線和無線會議係統的低要求及其音頻設備的基本音頻性能要求,以保證在正常工作狀態下的互換性和性能;還有利於確定和比較不同會議係統的質量,且可由這些係統技術要求中列出的性能決定其合適的用途。

1.2 適用範圍

本標準適用於會議係統和組成這個係統的各個部分,或用作該係統的輔助設備(耳機、傳聲器、放大器等設備)。

2 引用標準

GB 2018 磁帶錄音機測量方法

GB 2421~2424 電工電子產品基本環境試驗規程

GB 3100 單位製及其應用

GB 5465.1 電氣設備用圖形符號繪製原則

GB 5465.2 電氣設備用圖形符號

CB 6832 頭戴耳機測量方法

GB 7159 電氣技術中的文字符號製訂通則

GB 8898 電網電源供電的家用和類似一般用途的電子及有關設備的安全要求

GB 9001 聲頻放大器測量方法

GB 9396 揚聲器主要性能測試方法

GB 9401 傳聲器測量方法

GB/T 14197 聲係統設備互連的優選配接值

SJT 10444 電聲學名詞術語

SJ/Z 9141.2(IEC 574-3) 視聽、視頻和電視設備與係統 第3部分:視聽係統中設備互連用連接器

SJ/Z 9141.3(IEC 574-4) 視聽、視頻和電視設備與係統 第4部分:係統中設備互連的優選配接值

.

3 術語

3.1 人員 persns

3.1.1 代表 delegate

具有發言和收聽設備的與會者。

3.1.2 譯音員 interpreter

通過翻譯係統將一種口語口譯成一種或多種其他語言的人員。

3.1.3 操作人員 operator

操作控製設備和視聽設備,調換錄音機的磁帶、監聽送到譯音員和代表聲音質量的人員。

3.1.4 技術人員 technician

能完成操作人員的職能,還要在判斷和修理設備故障方麵受過培訓的人員。

3.1.5 聽眾 audience

在會議上不發言,而隻有收聽設備的人員。

3.2 耳機 earphoness

3.2.1 頭戴耳機——傳聲器、頭戴送受話器 headset

由傳聲器(送話器)和頭戴耳機(受話器)組成的裝置。

3.2.2 耳掛式耳機 ear shell

掛在人耳上的耳機。

3.3 通路 channels

3.3.1 原聲通路 floor channel

原聲通路是分配發言者(代表、主席、或演講人)講話的音頻通路。

在會議同聲傳譯係統(CSIS)和語言分配係統設備(LDS)的所有通路選擇器上,原聲通路用“O”或“OR"(原聲)來標誌。

當某一通路的語言與原聲通路的語言相同時,則該通路也可用來作原聲語言分配。

3.3.2 譯音語通路 language channel

譯音語通路是一種分配指定語言的音頻通路。

在會議同聲傳譯係統和語言分配係統設備的所有通路選擇器上,用“1、2、3……”來標注譯音語通路。

3.3.3 呼叫通路 call channel

呼叫通路是一個從譯音員到主席、發言者到操作人員處,或從操作人員到主席或發言者處,傳輸信息的音頻通路。

3.4 係統 systems

3.4.1 自動係統 automatic system

在自動係統中,傳聲器由代表操作,但在會議同聲傳譯係統中,操作人員可以優先控製。

3.4.2 手動係統 manual system

在手動係統中,傳聲器由操作人員操作和控製。

3.5 會議室的排列 conference room configurations

3.5.1 圓桌形式 round table configuration

代表們圍著一張桌子或一組桌子就座,全體代表都能參與會議。

3.5.2 講堂討論形式 seminar configuration

演講者能在房間前麵的一個講台或桌子前講話,那裏還有一張為主席而設的桌子或操縱台。代表麵向講台就座。

主講者和在座的主席、委員及代表都能不間斷地參與討論。

3.5.3 演講形式 lecture configuration

演講者能在房間前麵的一個講台或桌子前發言,那裏還有一張為主席而設的桌子或操縱台聽眾麵向房間前麵就座。

發言者和在座的主席或委員能連續地參加討論,聽眾能在一定限度內提問和討論。

3.5.4 記者招待會形式 press conference configuration

一個或幾個發言者在房間前麵的講台前發言,與會者麵向講台就座。

發言者能對與會代表發表他的講話,與會者能在一定限度內提問和討論。

3.5.5 委員會(代表會)形式 parliament configuration

演講者能在房間前麵的講台上發言,代表麵向講台就座。

演講者能對代表發表他的講話,而代表能在一定限度內提問和討論。

3.6 典型的會議係統 typical conference systems

——會議傳聲器係統(CMS)和會議討論係統(CDS)。

——會議譯音係統(CIS)。

——語言分配係統(LDS),

——會議表決係統(CVS)。

3.6.1 概述

通常可用三種不同型式的安裝方式。

a. 固定式

在固定式中,設施和電纜的敷設是固定的,係統的單機是組合成整體的。

b. 半固定式

在半固定式中,設施是可移動的或固定的,電纜是固定安裝的,係統中的某些設備可固定安裝在設施中,或放在桌子上。

c. 移動式

在移動式係統中,所有的設備,包括電纜的敷設都是可插接的和移動的。

3.6.2 傳聲器係統 microphones systems

3.6.2.1 會議傳聲器係統 conference microphones system

會議傳聲器係統是一個集中控製的可供全體代表在會議中使用的單通路聲係統(見圖1)。在這個係統中傳聲器的數目通常比代表的數目要少,且常用各種類型的傳聲器。

1會議係統電及音頻的性能要求 GB/T 15381-94

圖 1 會議傳聲器係統

3.6.2.2 會議討論係統 conference discussion system

會議討論係統是一個可供代表和主席分散自動或集中手動控製傳聲器的單通路聲係統(見圖2)。

在這個係統中,所有參加討論的人,都能在其座位上方便地使用傳聲器,通常是分散擴聲的,由一些發出低聲級的揚聲器組成,置於距代表不大於1m處。

也可以使用集中的擴聲,同時應為旁聽者提供擴聲。

2會議係統電及音頻的性能要求 GB/T 15381-94

圖2 會議討論係統

在會議傳聲器係統和會議討論係統這兩個係統中,有些傳聲器可能同時工作,但這不應使聲級明顯地下降。這兩個係統均應具有供錄音(開盤式或盒式)和接入擴聲係統的輸出。

有供電視新聞媒介的聲音分配(MSDC),電話會議和同聲傳譯係統的互連裝置也是合理的。

3.6.3 會議同聲傳譯係統 conference simultaneous interpretation system

會議同聲傳譯係統是由傳聲器係統(CMS/CDS),譯音員設備和單通路或多通路語言分配係統(LDS)所組成。

會議同聲傳譯係統有兩種類型:

a. 單通路會議同聲傳譯係統 single channel CSIS

在單通路會議同聲傳譯係統中,譯音語是經由一個單通路語言分配係統分配給代表的。此時原聲可以用擴聲係統來分布。因此,多能用兩種語言(見圖3a)。

任何時候,處於工作狀態的代表傳聲器應限製為一個。

3a會議係統電及音頻的性能要求 GB/T 15381-94

圖3a 會議同聲傳譯係統——單通路

b. 多通路會議同聲傳譯係統 multi-channel CSIS

在多通路會議同聲傳譯係統中,譯音語和原聲是通過各自的語言分配係統通路分配給代表的,因此,可以使用兩種以上的語言,多語言數則決定於可提供的通路數(見圖3b)。

任何時候,處於工作狀態的代表傳聲器應限製為一個。

3b會議係統電及音頻的性能要求 GB/T 15381-94

圖3b 會議同聲傳譯係統——多通路

3.7 語言分配係統 language distribution system

在單通路會議同聲傳譯係統中,語言分配係統是用來把譯音員的譯音語言分配給代表的。

在多通路會議同聲傳譯係統中,語言分配係統是用來把發言者的原聲和譯音語言分配給代表的。

每種譯音語需要有自己的語言通路,也可有一個備用通路。

可采用各種語言分配係統,但集中在二個主要類型:

a. 有線;

b. 無線(感應式、無線發射式、紅外線式)。

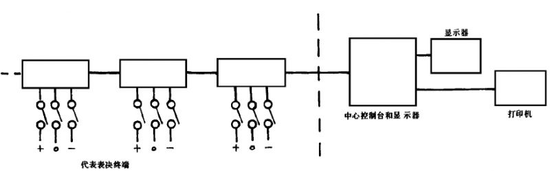
3.8 會議表決係統 conference voting system

會議表決係統是一個與分類表決終端網絡連接的控製數據處理係統,每個表決終端至少設有3種可能的選擇:同意、反對、棄權(見圖4)。

4會議係統電及音頻的性能要求 GB/T 15381-94

圖4 會議表決係統

控製台可供主席或工作人員來選擇和開動表決程序。在表決結束時,後的累計結果將清楚地顯示給主席、工作人員和代表。標準的表決程序是:

a. 秘密表決,不能逐個識別表決的結果。

b. 公開表決,能鑒別出每個表決者及其表決結果。

結果的顯示是可以選擇的,可以選擇:

直接顯示:在表決進行中,顯示各個中間結果,在預先選定的表決時間終止時,顯示後的結果。

延時顯示:不顯示中間結果,隻在預先確定的表決時間終止時,顯示表決的後結果。

可以預先選定表決的持續時間,可以把時間限定在30s、60s、90s等。或者不予限定(即由主席決定表決的終止)。

推薦的附屬設備有:

大型顯示器(所有代表都能看見):顯示總的表決結果和/或各自的表決結果。

視頻顯示器:顯示累計的表決結果和/或各自的表決結果。

打印機:打印出總的表決結果和/或各個的表決結果、以及全部表決數據的文件。


4 設備的低要求

4.1 概述

4.1.1 指示器的色標

典型會議係統設備上的指示燈或發光二極管,應該使用下列顏色:

紅:“亮”時表示傳聲器“接通”。“不亮”時用來表示傳聲器“斷開”的狀態。

紅:輸出通路已被占用。

綠或黃:表示其他功能。

4.1.2 指示器尺寸和亮度

待定。

4.2 傳聲器係統(CMS和CDS)

4.2.1 概述

為了有效的參與會議議程,應提供給代表或聽眾一些傳聲器。在會議傳聲器係統(手動控製)中,優先采用下列傳聲器:

a. 台式(立式)傳聲器;

b. 落地式(立式)傳聲器;

c. 指揮台/講台(立式)傳聲器;

d. 鈕扣/項鏈(頸上)傳聲器;

e. 自由伸縮(活動的)傳聲器;

f. 流動式(手持式)傳聲器。

在會議分配係統中(自動或手動控製),采用下列傳聲器:

台式(立式)傳聲器;

落地式(立式)傳聲器。

傳聲器型式可根據會議室的排列形式(見3.5條)來選用。

優先使用表1列出的傳聲器。

表 1

biao1會議係統電及音頻的性能要求 GB/T 15381-94

4.2.2 會議討論係統台式傳聲器的功能

4.2.2.1 主席、代表傳聲器的控製裝置;所有的主席和代表的傳聲器組件上,都需要一個“傳聲器工作按鈕開關”。

若不用“舉手”方法,在手動控製係統中的所有代表傳聲器裝置上,需要設有一個“請求”按鈕開關。

建議所有的主席台傳聲器裝置都設一個“優先按鈕開關”。

4.2.2.2 可以選用綜合在傳聲器裝置內的揚聲器,以適當的聲級,為1~2個代表提供原聲通路。

4.2.2.3 所有型式的傳聲器裝置上都需要一個傳聲器狀態指示器,對發言者提示其傳聲器是接通的。也可以幫助主席,其他代表、譯音員和操作人員確定發言者的位置。

4.3 譯音員設備

4.3.1 概述

每個譯音室內,應為每個譯音員提供獨自的收聽和發言控製器,連同相應的指示器。

控製板/裝置應位於監視窗和工作麵之間,以求占用小的麵積。

該控製板/裝置不應阻擋譯音員和會議大廳之間的視線和妨礙工作台麵。

4.3.2 功能和控製裝置

隻有在4.3.2.3,4.3.2.4,4.3.2.5,4.3.2.9,4.3.2.10條和第4.5條中的功能和控製裝置適用於單通路會議譯音係統。

而下述的所有功能和控製裝置全都適用於多通路會議譯音係統。

4.3.2.1 輸入通路選擇器

選擇器應平滑地動作,不產生機械或電的噪聲,操作這些控製裝置時,在兩個通路間不應出現短路。

4.3.2.2 輸入通路預選器

為了保證可靠和及時地把原聲通路轉接到轉譯通路,應設置一個鈕子開關,在一般情況下它接入原聲通路。當扳動開關在轉譯位置上時,輸入通路就置位於通路選擇器上。

4.3.2.3 音量控製器

應使用對數式電位器來調整收聽電平,使得在整個控製範圍內部有聽得見的效果。

4.3.2.4 音調控製器

應設置連續可調降低低音電平的控製器,在125Hz的電平與1kHz的比較,至少可壓低12dB。

也可以設置連續可調提升高音電平的控製器,8kHz的電平與1kHz的比較,至少可提升12dB。

4.3.2.5 頭戴耳機/頭戴耳機-傳聲器的終端設備

每個譯音員需要一個頭戴耳機/頭戴耳機-傳聲器的連接器插口,對固定設備該插口宜設在工作麵的下方、工作台的左麵。而對移動式設備則宜設在譯音員控製盒上。

輸出端應有防短路保護。

4.3.2.6 監聽揚聲器(移動係統任選)

監聽揚聲器的功能是在譯音室“暫停譯音”時允許譯音員暫時摘下其頭戴耳機-傳聲器,繼續跟蹤會議的進程。

監聽揚聲器應重放原聲通路的聲音,當同一譯音室的任一個傳聲器工作時,該揚聲器應立即無聲;它需有自己的音量控製器。

4.3.2.7 輸出通路選擇器

a. 多通路會議譯音係統正常工作時,每個譯音室各分配一種語言。也就是每個譯音室各工作在一個輸出通路上。

然而,常常需要同一個譯音室工作在兩個或更多個輸出通路上。在這種情況下,可以經這些輸出通路把兩種或更多種語言交替的送出。因此,控製台少應有選擇兩個輸出通路的裝置。

為此目的,可采用下列兩個係統:

(1)AB選擇

可選擇兩個通路中的任一個(A或B)。

在譯音員控製盒上選擇輸出通路,該譯音室的譯音員就實現從A轉換到B,或者從B轉換到A。

可以有兩種預選A和B通路的方法:

在譯音員控製盒上,或在操作人員的控製台上。

(2)多通路選擇

可以選擇任一通路;

由譯音員在譯音員控製盒上直接選擇輸出通路。

b. 占用通路的指示

當幾個譯音室共同操作在一個給定的輸出通路時(例如從法語和德語譯音室都譯成英語),需要有一光學的指示,以指示該通路已被占用。當某一譯音員的傳聲器工作在此通路上,該指示就應顯示在接入該通路的所有譯音員控製盒麵板上。

當該通路空出時(即沒有傳聲器在通路上工作)這個指示(通常是一個發光二極管)就應立即消失。

為了滿足這個功能,該指示器不得在選擇該輸出通路時、而應在傳聲器接通時點亮。

c. 互鎖

如果設置兩個或更多的通路,要有互鎖性能,以防止重複占用某一給定的通路。

d. 語種符號

語種的符號應緊靠通路的選擇鍵。

4.3.2.8 主席、演講者、操作人員的呼叫通路(移動設備可任選)

在會議過程中發生故障時(例如代表不用傳聲器就開始發言或其他緊急情況),譯音員應能通過接有監聽揚聲器的專用線路,小心地通知主席和/或演講人。

不論傳聲器開關處於何種狀態,應有一個專用的按鍵使該呼叫線路工作。

這種指示也可送給操作人員。

4.3.2.9 傳聲器接通鍵

傳聲器通/斷開關控製傳聲器接入輸出通路。如果把接入一個通路的所有譯音員傳聲器都斷開,則原聲就自動地接入該通路。

供兩位譯音員使用的控製台上,傳聲器控製器可以組合在一個開關上。

4.3.2.10 暫停鍵

一個自複位鍵應能切斷譯音員的傳聲器信號,而不接回到原聲通路(見4.3.2.9條),但必須熄滅傳聲器狀態指示器。

4.3.2.11 傳聲器狀態指示器

每一個傳聲器點應設置一個信號燈或發光二極管,以指示傳聲器的“接通”狀態。

4.3.3 譯音員控製台/控製板

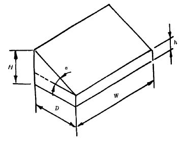
4.3.3.1 自立式控製台(見圖5)

5會議係統電及音頻的性能要求 GB/T 15381-94

圖5 自立式控製台

控製台寬W:<250mm;

或:<400mm為雙譯音員控製台。

控製台深D:<2l0mm。

控製台高H:<150mm。

麵板傾斜角a:10°

前高h:10mm

4.3.3.2 固定嵌入式麵板(見圖6)

6會議係統電及音頻的性能要求 GB/T 15381-94

圖6 固定嵌入式麵板

麵板寬W:<300mm;

或:<400mm裝有揚聲器;

或:<600mm為雙譯音員用麵板。

麵板深D:<210mm。

麵板傾斜角a:0°~15°。

裝入深度d1:<130mm;

d2:<40mm。

4.3.4 譯音員設備的說明

4.3.4.1 收聽(輸入)部分(供每個譯音員)

a. 通路選擇器(4.3.2.1條);

b. 通路預選器(4.3.2.2條);

c. 音量控製器(4.3.2.3條);

d. 音調控製器(4.3.2.4條);

e. 頭戴耳機/頭戴耳機-傳聲器的連接器(4.3.2.5條);

f. 監聽揚聲器(4.3.2.6條)。

(每個譯音室至少一個,移動式係統則任選)。

4.3.4.2 頭戴耳機/頭戴耳機-傳聲器

a. 每付頭戴耳機由兩個耳掛式耳機組成。(插入耳內的聽診式或耳罩式耳機不適用)。

b. 重量:每付頭戴耳機重150g;每付頭戴耳機-傳聲器重250g(塞繩重量除外)。

c. 帶1.5m長的軟電纜,終端連接無鎖的插頭(頭戴耳機)。

d. 頭環壓力:2.5N(建議頭環要可調)。

4.3.4.3 發言(輸出)部分

a. 輸出通路選擇器(4.3.2.7條);

b. 傳聲器接通鍵(4.3.2.9條);

c. 暫停鍵(4.3.2.10條);

d. 傳聲器狀態指示器(4.3.2.11條)。

4.3.4.4 傳聲器

a. 每個譯音員配置一個單指向傳聲器,或者在移動式設備中,3個譯音員配置2個單指向傳聲器。

b. 帶1.5m長的軟電纜。

c. 能有效地隔離機械振動。

d. 頭戴耳機-傳聲器(任選)。

每個譯音員有一個頭戴耳機-傳聲器(以代替頭戴耳機和傳聲器)。

4.3.4.5 其他設備

a. 主席、演講人、操作人員的呼叫通路(移動設備任選)。(4.3.2.8條)。

b. 通訊員呼叫鍵(任選)。

4.4 代表的收聽設備(語言分配係統中的設備)

4.4.1 收聽器

收聽器有二種型式:有線的和無線的。雖然可用各種的傳送技術,但通常隻有下列性能和元器件是認可的。

4.4.1.1 有線收聽器

a. 收聽器放在或裝在會議桌/椅子上成一整體。

b. 控製器的布置應符合人機工程學的要求。

c. 音量控製器。

d. 通路選擇器(單通路不適用)。

e. 原聲通路監聽揚聲器(任選)。

4.4.1.2 無線收聽器(接收機)

a. 放在桌子上或便攜式。

b. 控製器的布置應符合人機工程學要求。

c. 音量控製器。

d. 通路選擇器(單通路不適用)。

e. 重量:200g。

f. 一次充電或電池的小工作壽命,15h。

4.4.2 頭戴耳機

代表的耳機應考慮下列要求:

a. 代表感覺舒適:

聲學上:聲音重放的質量和環境噪聲的隔離;

物理上:重量和可靠性;

衛生;

配接:電聲換能器在電氣和機械上應與係統配接。

b. 電纜長度應大於80cm。

注:可供使用的頭戴耳機的型式,例如:頭戴耳機、插入式耳機、貼耳式耳機、耳罩式耳機、耳掛式耳機、聽診式耳機等。

4.5 技術人員的設備

4.5.1 技術人員設備的綜述

技術人員室內應有:

按照4.5.3條的控製設備和/或設備立櫃;

按照4.3.4.5條向主席呼叫通路用的傳聲器;

按照4.3.4.2條的頭戴耳機或頭戴耳機-傳聲器;

錄音設備;

視聽設備;

擴聲設備。

4.5.2 技術人員室

如設置技術人員室,應做一個推拉式的前窗。

無論它有無固定設備,應至少有一間技術人員室。就其他情況而論(半固定的或移動的譯音室,不論有無固定設備),也建議有一間固定的技術人員室;如無可能,則房間的麵積應足夠供人員和設備用。

4.5.3 控製設備

控製設備能使技術人員按會議程序及主席的指令監聽和控製會議室內所有的傳聲器和譯音係統的功能。

由譯音員到技術人員和從技術人員到主席、演講人都可以有呼叫通路。

4.5.4 傳聲器工作方式

可采用下列傳聲器工作方式:

a. 代表或技術人員能用傳聲器座上的按鈕或用控製設備(一個雙控係統)開啟傳聲器;

b. 代表有一個“請求發言”按鈕,發信號給技術人員,但後者擁有是否開啟傳聲器的權利;

c. 隻有技術人員能夠控製傳聲器;

d. 自動排隊和按順序接通的係統;

e. 主席的傳聲器能優先或不優先工作。

4.5.5 狀態監視

在控製設備上可以監視下列功能:

a. 各個請求和已開啟的代表傳聲器;

b. 是譯音室還是原聲通路接入語言通路。

4.5.6 音頻監聽和監視

a. 用頭戴耳機。此外,如果需要的話,可加用所有通路的揚聲器;

b. 用節目電平指示器(對自動控製係統為任選),連續指示原聲通路的電平,也能指示每一譯音通路的電平。

4.5.7 音量控製

每個通路的音量應能分別控製(自動音量控製的係統除外)。

4.5.8 輔助裝置

a. 對附加信號源可提供輔助輸入裝置,例如,附加的傳聲器係統、磁帶錄音機、電影或電視的聲音通路。

b. 輔助輸出裝置可把原聲通路接到擴音係統,把一個或多個通路接到廣播設備,把所有通路接到錄音通路等。

.

5 音頻設備的電性能要求

5.1 一般要求

5.1.1 測量方法

聲係統設備的測量,如頭戴耳機、頭戴耳機-傳聲器、揚聲器、放大器等,應按照聲係統設備中有關部分所述的測量方法進行,如GB 6832、CB 9401、GB 9396、CB 9001等;磁帶錄音機的測量則按GB 2018。

5.1.2 單位

本標準采用GB 3100所規定的單位製(SI製)。

5.1.3 標記及其符號

5.1.3.1 標記

端子和控製裝置應適當標記以鑒別其功能特性和極性。

標記應能校對控製裝置,並按用戶說明書中給出的資料以足夠的準確性識別控製裝置的位置。

5.1.3.2 標記的符號

標記由易懂的文字符號、記號、數字和顏色組成。並符合GB 7159和GB 5465.1~5465.2的要求。

不包含在上述標準中的標記,必須在用戶說明書中說明。

5.1.4 人身安全和防止火災蔓延

設備的人身安全和防火災蔓延應符合GB 8898標準。

為了防止使用者暴露在高聲級中,係統中須有限製聲級的措施,其聲壓級不應超過105dB(以20μPa為基準)。

5.1.5 測量的環境條件

在下列溫度、濕度以及氣壓極限範圍內的任一組合的條件下來進行測量和機械方麵的檢驗:

環境溫度:15~35℃;

相對濕度:45%~75%;

氣壓:86~106kPa。

以上是設備必須符合的環境條件。超過這個範圍設備可以工作,但不要求符合其全部特性,並可允許在更為極端的條件下貯存設備。

如製造廠認為需要,也可規定與上述不同的環境條件,但這些條件須從標準GB 2421~2424中選取,測試應在這些規定的條件下進行。

5.1.6 幹擾

5.1.6.1 無線電幹擾

a. 對電磁場的抗擾度

會議係統可能受到無線電幹擾,判斷係統有無抗無線電幹擾的適當保護能力,其方法如下:係統處於電磁場強度為1V/m的幹擾下,在30~50kHz之間的任一載頻上,一個1kHz調製頻率、調幅度為30%的調幅波、並以額定輸入電平為參考電平的信號與幹擾電平之比應大於40dB。

b. 會議係統引起的幹擾

會議係統可能是一個無線幹擾源。因此,會議係統應服從法令的要求。

5.1.6.2 對磁場的抗擾度

判斷係統有無抗磁場幹擾的適當的保護能力,其方法如下:以一個頻率在50Hz時為1A/m,頻率在150Hz時為0.2A/m,頻率在250Hz~20kHz之間為0.1A/m磁場強度的外部幹擾源,所產生的A計權噪聲電平,至少應低於額定輸入電平40dB。此要求不適用於會議係統中使用感應線路輸入的頭戴耳機。

5.1.6.3 對光的抗幹擾度

用光作為訊號載體的係統,應能在日光或鎢絲燈光1klx的照射下,滿意地工作。若必須使用紅外傳輸係統,應避免采用高頻激勵的照明係統。

5.1.7 會議室的要求

會議室的聲學要求,應有助於語言的傳輸。在通風和照明這些固定設備工作時,其空場環境噪聲應不超過40dB(A計權)聲壓級。會議室的譯音室的技術要求見《同聲傳譯室的一般特性和設備》。

注:《同聲傳譯室的一般特性和設備》廣播電影電視部設計院譯自ISO 2603(1983)。

5.1.8 互連用的連接器

係統互連用的連接器見SJ/Z 9141.2(IEC 574-3)。

5.1.9 電配接值

電配接值應按GB/T 14197標準和SJ/Z 9141.3(IEC 574-4)。

5.1.10 規定的特性

用戶在購置係統前應可使用本標準表4~11中所列出的特性。正如與本標準有關的某些國標所規定,會議係統各設備的特性分類,應按GB 9001,GB 9401,GB 6832的規定。


5.2 音頻性能要求

5.2.1 概述

本條規定了會議係統應滿足的音頻性能要求,並規定作為分立裝置的傳聲器、頭戴耳機、傳輸鏈路(見圖7和表2)以及與一般傳輸鏈路組合的傳聲器(見圖7和表3)的特性。這裏所指的傳輸鏈路是包括鏈路輸入到輸出之間的所有設備(放大器、控製器和長有100m任何規格電纜的鏈路)。

7會議係統電及音頻的性能要求 GB/T 15381-94

(雙三角表示多通路鏈路)

圖7 音頻係統的示意圖

表2 分立裝置

biao2會議係統電及音頻的性能要求 GB/T 15381-94

biao2續會議係統電及音頻的性能要求 GB/T 15381-94

表3 組合裝置

biao3會議係統電及音頻的性能要求 GB/T 15381-94

5.2.2 傳聲器(見表2中的a和b項)

性能要求和測量方法見表4,示意圖見圖8。

8會議係統電及音頻的性能要求 GB/T 15381-94

圖 8

表 4


biao4會議係統電及音頻的性能要求 GB/T 15381-94


9會議係統電及音頻的性能要求 GB/T 15381-94



圖9 傳聲器典型頻率響應允差範圍

注:為了在一個特定係統內等同采用,應采用頻率響應具有類似型式的傳聲器。

5.2.3 貼耳式耳機(見表2中c和d項)

性能要求和測量方法見表5,示意圖見圖10。

注:優先用並聯連接的頭戴耳機。

10會議係統電及音頻的性能要求 GB/T 15381-94

圖 10

表 5

biao5會議係統電及音頻的性能要求 GB/T 15381-94

11會議係統電及音頻的性能要求 GB/T 15381-94

圖11 貼耳式耳機典型頻率響應的允差範圍

5.2.4 聽診式和耳掛式耳機(見表2中c項)

性能要求和測量方法見表6,示意圖見圖12。

12會議係統電及音頻的性能要求 GB/T 15381-94

圖 12

表 6

biao6會議係統電及音頻的性能要求 GB/T 15381-94

13會議係統電及音頻的性能要求 GB/T 15381-94
圖13 聽診式和耳掛式耳機典型頻率響應的允差範圍

5.2.5 傳輸鏈路(見表2中的e和h項)

輔助設備輸入鏈路(見表2中的i項)。

性能要求和測量方法見表7,示意圖見圖14、圖15。

1415會議係統電及音頻的性能要求 GB/T 15381-94

圖 14 圖15

表 7

biao7會議係統電及音頻的性能要求 GB/T 15381-94

biao7續會議係統電及音頻的性能要求 GB/T 15381-94

注:在提到正常工作狀態時,應考慮到以下基準輸出狀態:在125Hz~12.5kHz頻率範圍內,150Ω輸出負載的兩端為1V。

第5.2.5.7條和第5.2.5.8條為輔助設備輸入鏈路的附加要求。

16會議係統電及音頻的性能要求 GB/T 15381-94

圖16 傳輸鏈路典型頻率響應的允差範圍

5.2.6 傳輸鏈路(見表2中f和g項)

輔助設備輸入鏈路(見表2中j項)。

性能要求和測量方法見表8,示意圖見圖17。

17會議係統電及音頻的性能要求 GB/T 15381-94

圖 17

表 8

biao8會議係統電及音頻的性能要求 GB/T 15381-94

注:在提到正常工作狀態時,應考慮到以下基準輸出狀態:在125Hz~12.5kHz頻率範圍內,一個150Ω輸出負載的兩端為1V。

第5.2.6.5條和第5.2.6.6條為輔助設備輸入鏈路的附加要求。

18a會議係統電及音頻的性能要求 GB/T 15381-94

圖18a 傳輸鏈路典型頻率響應的允差範圍

(用於窄帶的頻率範圍)

18b會議係統電及音頻的性能要求 GB/T 15381-94

圖18b 傳輸鏈路典型頻率響應的允差範圍

(用於寬帶的頻率範圍)

注:不同的音頻傳輸係統的頻率範圍,可選取窄帶或寬帶,上限頻率愈高的係統一般能得到較好的清晰度。

5.2.7 輔助設備的輸出鏈路(見表2中的k和1項)

性能要求和測量方法見表9,示意圖見圖19。

biao9會議係統電及音頻的性能要求 GB/T 15381-94

圖 19

表 9

biao9

20會議係統電及音頻的性能要求 GB/T 15381-94

圖20 輔助設備輸出鏈路典型頻率響應的允差範圍

5.2.8 組合裝置(見表3中的a~e、b~h、a~k和b~l項)

性能要求和測量方法見表10,示意圖見圖21。

21會議係統電及音頻的性能要求 GB/T 15381-94

圖 21

表 10

biao10會議係統電及音頻的性能要求 GB/T 15381-94

biao10續會議係統電及音頻的性能要求 GB/T 15381-94

22會議係統電及音頻的性能要求 GB/T 15381-94

圖22 5.2.8條規定的組合裝置典型頻率響應的允差範圍

5.2.9 組合裝置(見表3的a~f和b~g項)

性能要求和測量方法見表11,示意圖見圖23。

23會議係統電及音頻的性能要求 GB/T 15381-94

圖 23

表 11

biao11會議係統電及音頻的性能要求 GB/T 15381-94

biao11續會議係統電及音頻的性能要求 GB/T 15381-94

biao11續2會議係統電及音頻的性能要求 GB/T 15381-94


在第5.2.9.3條及5.2.9.4條、5.2.9.6條、5.2.9.7條中所提到的頻率範圍隻與圖23中的代表和譯音員以及圖9中的性能要求有關,在第5.2.9.1條中所述的寬的頻率範圍,用於組合裝置。

24a會議係統電及音頻的性能要求 GB/T 15381-94

圖24a 5.2.9條中所規定組合裝置典型頻率響應允差範圍

(用於窄帶的頻率範圍)

24b會議係統電及音頻的性能要求 GB/T 15381-94


圖24b 5.2.9條中所規定組合裝置典型頻率響應允差範圍

(用於寬帶的頻率範圍)

注:不同的音頻傳輸係統的頻率範圍可選取窄帶和寬帶,上限頻率越高的係統一般能得到較好的清晰度。


附 錄 A

聲壓級比較尺度

(補充件)

25會議係統電及音頻的性能要求 GB/T 15381-94

附加說明

本標準由全國電聲學標準化技術委員會提出。

本標準由杭州無線電廠、廣播電影電視部設計院共同起草。

本標準主要起草人李齊勳、駱學聰、許美良、梁亞峰、馮彪。


  因篇幅有限請到資料下載   下載完整文件。

  還可以了解更多關於會議室解決方案、產品和案例 等信息。

  還可以了解更多關於香蕉视频APP污版場館解決方案、產品和案例 等信息。

  還可以了解更多關於劇場香蕉视频破解解決方案、產品和案例 等信息。

還可以了解更多關於學校教育   解決方案、產品和案例   等信息。


網站地圖