400-003-8066

音視頻係統解決方案
聲係統設備互連的優選配接值GBT14197-1993

聲係統設備互連的優選配接值GBT14197-1993

本標準等效釆用標準IEC268—15《聲係統設備互連的優選配接值》。1主題內容與適用範圍1.1主題內容本標準規定了聲係統設備互連用電的優選配接值。1.2適用範圍本標準適用於傳聲器、唱盤、調諧器、磁帶錄音機、前置放大器、輔助設備、揚聲器係統、頭戴耳機、數字音頻源等和放大器互連時作電的配接,供設計、使用、配......

全國谘詢熱線
400-003-8066

在線谘詢

  因篇幅有限請到資料下載   下載完整文件。

  還可以了解更多關於會議室解決方案、產品和案例 等信息。

  還可以了解更多關於香蕉视频APP污版場館解決方案、產品和案例 等信息。

  還可以了解更多關於劇場香蕉视频破解解決方案、產品和案例 等信息。

  還可以了解更多關於學校教育   解決方案、產品和案例   等信息。


  本標準等效釆用標準IEC268—15《聲係統設備互連的優選配接值》。

1主題內容與適用範圍

1.1主題內容

  本標準規定了聲係統設備互連用電的優選配接值。

1.2適用範圍

  本標準適用於傳聲器、唱盤、調諧器、磁帶錄音機、前置放大器、輔助設備、揚聲器係統、頭戴耳機、數字音頻源等和放大器互連時作電的配接,供設計、使用、配套及有關標準製訂時采用。

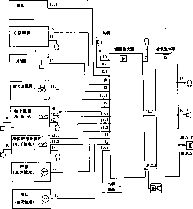
  注:圖1給岀了音頻互連的示意圖,並附有相應的章條。.

聲係統設備互連的優選配接值GBT14197-1993

圖1音頻互連圖

2引用標準

  GB/T2354模擬電唱盤通用技術條件

  GB5819.391香蕉视频下载地址設備用圓形連接器詳細規範YG型圓形連接器

  GB6832頭戴耳機測量方法

  GB8898電網電源供電的家用和類似一般用途的電子及有關設備的安全要求

  GB9001聲頻放大器測量方法

  GB9396揚聲器主要性能測量方法

  GB9401傳聲器測量方法

  GB12060聲係統設備一般術語解釋和計算方法

  SJ/Z 9118.1 (IEC94-1) 磁帶錄放音係統第1部分:一般條件與要求

  SJ/Z 9118-2 (IEC94-2) 磁帶錄放音係統第2部分:校準帶

  SJ/Z 9140.1 (IEC268-1) 聲係統設備第1部分:概述

  SJ/Z 9140.2 (IEC268-6) 聲係統設備第6部分:輔助無源元件

篇電源

3交流電源電壓和頻率

  3.1交流電源的電壓為220V±10%、頻率為50Hz±5%。

  3.2對於特殊用途,例如船舶和飛機,采用其他電壓和(或)頻率以及所允許的容差,須經製造方與用戶協商同意。

4直流電源電壓

  直流電源電壓和容差在表1中給出。在給出的限電壓下,設備應能工作,但是不需要滿足全部指標。

表1

額定電壓/電池

下限

正常電壓

上限

原電池,

勒克朗謝型

1.5

1.0

1. 5

L65

二次電池,:

 

 

 

 

鉛酸電池(車輛電池除外)

2.0

1.8

2. 0 .

2.2 *

鉛酸電池(車輛電池)

2..0

L8 -

2,4

2, 6

棟福電池.

1.2

L1

1.2

1.4


5傳聲器饋電電源

  參照第10.3,10.4和10.5條。

篇互連

6連接

  信號電纜應具有合適的電性能,以使聲頻信號能在聲頻係統各部分間傳遞。

7連接器

  係統內用的連接器,應參照第2章所給出的引用標準。

第三篇標誌

8標誌

  參照SJ/Z 9140.1(IEC268-1)標準。

  如巣為了正常運行設備需要接地,則應標明。

  具有獨立電源係統的傳聲器,應按第10.4.4條及10.5.5條規定作出標誌。

9一般用途的輸入

  在前置放大器設計中為了保持使用的大靈活性及兼容性,本標準中所述的所有高電平(0.5V額定源電動勢)無均衡輸入應具有相同的規範,這就稱為“一般用途的輸入”。

  為了簡化操作,製造者可以有選擇誌出一部分或全部用途的輸入,例如調諧器,磁帶錄音機或輔助輸入,但所有這些輸入口的規範仍應一致。

第四篇優選配接值

10傳聲器和放大器的配接

  10.1傳聲器〈不包括壓電式)

  傳聲器和放大器的配接應按表2的規定。

表2

傳聲器

放大器

傳聲器輸入

電動式和駐體傳聲,器

電容傳聲器

額定阻抗

額定源阻抗

200Q

6oon

2kfl

200Q

6oon

額定負載阻抗

Ikfl

3kn

lOkfl

IkQ

3kO

輸入阻抗n

NlkQ

>3kn

>10kfl

>lkfl

 

額定輸出電壓2

額定源電動勢

0 2mV

0. 35mV

0. 6mV

L OmV

2. OmV

額定輸出電壓對應的小源電 動勢

0. 08mV

0- 14mV

0. 24mV

0- 4mV

0. 8mV

大輸出電壓釘

廣播和擴聲用的過載源電動勢

0. 2V

0.35V

0. 6V

IV

2V

大輸出電壓Q

家用時的過載源電動勢©

20mV

35mV

60mV

——

.

注:1)此阻疣價適用於從0.416kHz整個頻率範圍。


  注:1)此阻疣價適用於從0.4〜16kHz整個頻率範圍。

  2)應與GB 9401中額定輸出電壓一致。

  a.所給的值相應於0.2Pa聲壓〔80dB(以20μPa為參考)聲壓〕。

  b.對近講傳聲器,額定輸出電壓為相應於3Pa聲壓〔104dB(以20μPa為參考)聲壓〕,這類傳聲器的優選值應比所列數值高20dB°

  3)規定值是相應於l00Pa聲壓〔134dB(以20μpa為參考)聲壓〕,並計入傳聲器靈敏度的6dB餘量。過載源電動勢的要求可由調節前置放大器內增益控製器前的可調衰減器來滿足。.

  4)規定值是相應於l0Pa聲壓〔114dB(以20μPa為參考)聲壓〕,並計入傳聲器靈敏度的6dB餘量。對於電網工作的家用設備,為了避免在條件下的過載,可能要按廣播及擴聲給出的值。

  5)家用傳聲器,優選600Ω的額定阻抗。

  10.2內裝放大器的傳聲器

  這類傳聲器可配備有可調衰減器或電增益控製電路。

  輸出特性應當與適當類型傳聲器的優選值或輔助設備輸岀的優選值相一致(第15.1條)。

  10.3通過獨立導線饋給駐體傳聲器的供電電源

  電源電壓U=4.5〜12V。

  當使用GB 5819.3給定的YCJTP/YCKTF連接器時,應滿足此要求。

  10.4幻像供電係統

  10.4.1概述

  幻像供電係統中,兩個信號導線具有相同的直流電位,這就允許傳聲器的連接既可用於不需要電源的傳聲器(例如電動式)又可用於具有獨立電源饋電電路的傳聲器。無論那種情況,重要的是傳聲器所連到的放大器具有平衡的浮動輸入。

  10.4.2電源電壓性

  電源電壓正應接到兩個信號導線的電,負應接到電纜的屏蔽層。

  10.4.3電路圖

  用於連接和供電電源的典型電路在圖2中給岀。電阻R1和R2應在其標稱值的±10%以內,並且匹配到±0.4%以內。

聲係統設備互連的優選配接值GBT14197-1993

圖2幻像供電係統

  表3列岀了電壓和電流的要求值以及R1和R2的典型值。

  替代圖中所示的電阻和(或)變壓器,可以使用其它電路元件來保證滿足表3給定的電壓和電流要求,且不破壞電路的平衡。

  注:可以使用經串聯電阻饋電的抽頭變壓器.

表3

電源電壓U

     12±IV    

     24±4V    

     48±4V    

電源電流I

15mA

10mA

10mA

R1和R2(典型值)

68OΩ

1.2kΩ

6.8kΩ


  注:1)配有1.2kΩ電阻的設備與設計為12V工作的某些傳聲器是不能兼容的,這種傳聲器至少需要2.4kΩ電阻和24V電源。

  10.4.4標誌

  在傳聲器上應采用符號P12,P24或P48來標誌電源電壓。

  如果傳聲器設計成工作在一種以上的電源電壓,則應使用合適的標誌來標明,例如P48/12。

  10.4.5電源電壓的優選值

  雖然12V和48V仍在使用,為了新的發展,優選采用24V。


  因篇幅有限請到資料下載   下載完整文件。

  還可以了解更多關於會議室解決方案、產品和案例 等信息。

  還可以了解更多關於香蕉视频APP污版場館解決方案、產品和案例 等信息。

  還可以了解更多關於劇場香蕉视频破解解決方案、產品和案例 等信息。

  還可以了解更多關於學校教育   解決方案、產品和案例   等信息。

香蕉视频APP在线观看資質 / ZOBO QUALIFICATION

香蕉视频APP在线观看營業執照 高新技術企業證書 中關村高新技術企業

(已獲得33項資質認證,包括5項國際認證、4項國家認證、24項行業資格認證書) 查看全部資質

項目實施能力 / PROJECT IMPLEMENTATION CAPACITY

項目技術工程師項目技術工程師

建設工程師建設工程師

工程師工程師

關聯案例 RELEVANT CASES

方案概述:
【查看詳情】

相關產品RELATED PRODUCTS

網站地圖